Important NEET UG 2026 Practice Questions (Day 33): Are you ready to boost your NEET UG 2026 preparation? Welcome to Important Practice Questions – Day 33, designed to sharpen your conceptual clarity and exam temperament. These handpicked questions from Physics, Chemistry, and Biology will help you strengthen weak areas, improve accuracy, and build the speed needed to score 650+ in NEET. Stay focused, attempt sincerely, and track your progress daily. Consistency is your biggest weapon!
PHYSICS
Q.1. An electric dipole of moment is placed in a uniform electric field of magnitude . What is the potential energy when the dipole is aligned parallel to the field?
A.
B.
C. Zero
D.
Q.2. A ball of mass is dropped vertically from rest and strikes the ground with speed . It rebounds vertically upward with speed . What is the magnitude of the impulse delivered by the ground to the ball?
A.
B.
C. 4.0N s
D. 3.2N s
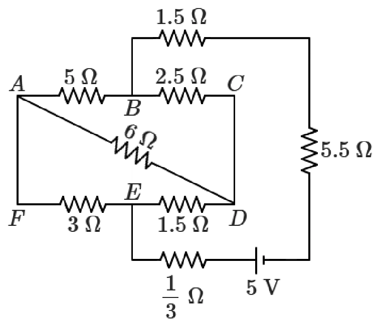
Q.3. The current passing through the battery in the given circuit is:

A. 2.5 A
B. 1.5 A
C. 2.0 A
D. 0.5 A
Q.4. A microscope has an objective focal length of 1.5 cm, eyepiece focal length 5 cm, tube length 30 cm, and . The magnification is:
A. 120
B. 150
C. 200
D. 100
Q.5. A uniform rod of mass and length rests in equilibrium with its lower end on a rough horizontal floor and upper end against a smooth vertical wall, making an angle of with the floor. The acceleration due to gravity is . What is the weight of the rod and where does it act?
A. 200N, acting at the centre of mass located from either end
B. 100N, acting at the centre of mass located from either end
C. 100N, acting at the upper end of the rod in contact with the wall
D. 200N, acting at the lower end of the rod in contact with the floor
CHEMISTRY
Q.6. Which of the following aqueous solution will exhibit highest boiling point?
A. 0.01M Na2SO4
B. 0.015M C6H12O6
C. 0.01M Urea
D. 0.01M KNO3
Q.7. Sugar ‘ X ‘
A. is found in honey.
B. is a keto sugar.
C. exists in α and β anomeric forms.
D. is laevorotatory.
‘ X ‘ is :
- D-Fructose
- Maltose
- Sucrose
- D-Glucose
Q.8. The total number of possible isomers (both structural aswell as stereoisomers) of cyclic ethers of molecular formula C4H8O is :
A. 8
B. 10
C. 11
D. 6
Q.9. For a gaseous reaction, which statement correctly explains why the rate usually increases with temperature?
A. More molecules have energy equal to the average kinetic energy
B. Collisions become perfectly elastic at higher temperature
C. Activation energy of the reaction becomes zero at higher temperature
D. A larger fraction of molecules possess energy greater than or equal to E_a
Q.10. Which statement correctly compares the basicity of aniline, p-methoxyaniline, and p-nitroaniline in aqueous solution?
A. p-Nitroaniline is most basic, aniline is least basic
B. All three have nearly identical basicities
C. p-Methoxyaniline is most basic, p-nitroaniline is least basic
D. Aniline is most basic, p-methoxyaniline is least basic
Q.11.

In the above-represented plasmid, an alien piece of DNA is inserted at EcoRI site. Which of the following strategies will be chosen to select the recombinant colonies?
- White color colonies will be selected.
- Blue color colonies grown on ampicillin plates can beselected.
- Using ampicillin & tetracyclin containing medium plate.
- Blue color colonies will be selected.
Q.12. The protein portion of an enzyme is called:
A. Apoenzyme
B. Prosthetic group
C. Cofactor
D. Coenzyme
Q.13. Which chromosome in the human genome has thehighest number of genes?
A. Chromosome Y
B. Chromosome 1
C. Chromosome 10
D. Chromosome X
Q.14. The first menstruation is called:
A. Menarche
B. Diapause
C. Ovulation
D. Menopause
Q. 15. Which of the following genetically engineered organisms was used by Eli Lilly to prepare human insulin?
A. Yeast
B. Virus
C. Phage
D. Bacterium
Great effort completing Day 33 of your NEET UG 2026 practice journey! Remember, every question you solve today brings you one step closer to your dream medical college. Keep revising regularly, analyze your mistakes, and come back tomorrow for the next set of high-yield questions. Don’t forget to share this with your fellow aspirants and stay connected for more daily NEET practice. Success loves disciplined learners, keep going!
Ans.1. A. . The formula tells us that for parallel alignment, , so . Thus, . Any other magnitude, such as , would come from an incorrect substitution or arithmetic error.
Ans.2. D. 3.2N s. To compute impulse, we must use vector velocities with proper directions. If upward is positive, then a ball moving downward has negative velocity. So, just before impact, , and after rebound, . The change in momentum is .
Ans. 3. C. 2.0 A. I = 5 V / 2.5 Ω = 2.0 A through the battery.
Ans.4. A. 120. mo=30/1.5=20, me=25/5+1=6, total
Ans. 5. A. 200N, acting at the centre of mass located from either end. For a uniform rod of mass , the weight is given by . Substituting and gives . The rod is uniform, so its mass is evenly distributed along its length, making the centre of mass at the midpoint of the rod.
Ans. 6. A. 0.01M Na₂SO₄
Ans.7. 1. Sugar ‘X’ is D-Fructose, as it matches all given properties: it is the major sugar found in honey (~38-40%), it is a keto sugar (ketose with ketone group), it exists in α and β anomeric forms due to mutarotation, and it is laevorotatory (D-(-)-fructose, specific rotation -92°).
Ans. 8. B. 10. C₄H₈O cyclic ethers (degree of unsaturation = 1) include epoxides (3-membered rings), oxetanes (4-membered), and tetra hydrofurans (5-membered), with structural isomers based on ring size/substitution and stereoisomers from chiral centers.
Ans.9. D. A larger fraction of molecules possess energy greater than or equal to E_a. With increasing temperature, the Maxwell–Boltzmann energy distribution flattens and shifts such that a greater proportion of molecules lie in the high‑energy region above E_a.
Ans.10. C. p-Methoxyaniline is most basic, p-nitroaniline is least basic.
Ans.11. 1. White color colonies will be selected.
Ans.12. A. Apoenzyme. When apoenzyme binds with its cofactor, the active holoenzyme is formed. So the protein portion is apoenzyme.
Ans.13. B. Chromosome 1. Human chromosome 1 is the largest human chromosome and contains the highest number of genes (around ∼2000–2500 protein‑coding genes).
Ans.14. A. Menarche. Menarche is the medical term for the first menstrual bleeding in a female, which occurs at puberty.
Ans.15. D. Bacterium. Eli Lilly used recombinant DNA technology in the 1980s to produce human insulin (brand name Humulin).
All The Best!
Share Your Scores Below!

Mam some questions are seemed outof our new NTA syllabus
The question set is prepared based on the previous year’s analysis.
Mam waiting…. Day 34
Day 34…??
Hlo
Mam please reply all questions combo till today 🙏 Kha milega
Mam please reply all questions combo till today 🙏
https://www.edufever.com/tag/neet-ug-quizzes/
⚕️14 /15
Mam where are you..??? Yet Seen for new quest